|
Saabi autopiloodi diagnostika
Järgnevalt
tuleb siis juttu Autopiloodi remondist. Olles ise selle läbi teinud
oleks alustuseks selline materjal väga kasulik olnud. Üldiselt
on enamus materjali tõlgitud http://www.thesaabsite.com/
lehelt, lisades omaltpoolt saadud kogemusi. Siinkohal suured tänud
ka Wernerile, kes lahkelt
nõu andis ja mulle ka testimiseks ühe vana juhtploki otsis.
Õnneks suutsin süsteemi siiski ilma raha kulutamata taas töökorra
saada, kuigi selleks kulus mul ca 5h teoreetilist uuringut ja netis surfamist,
3h autos alljärgnevate testide tegemises ja 2h kogu elektroonika
ploki (ECU) ümberjootmises, mis lõpuks oligi minu autol peamine süüdlane
ning lõpuks 3h selle juhendi kokku panemises ja tõlkimises
:-). Etterutades soovitaksingi kõigil Hella 5GA 004 397-08 seeria
ECU omanikel (92 9000CS) olla selle ploki suhtes üsna kriitiline.
Kuigi ma algul kuidagi ei tahtnud uskuda külmjoote olemasolu, siis
nii see siiski oli. Tundub, et Hella tehases oli mingi aeg jootmisega
probleeme, seda on kurtnud ka teised Saabiomanikud saabnet.com foorumis.
Lisaks siis igaks juhuks standardne lause, et kõik kes selle juhendi
järgi oma autot remondivad, teevad seda täielikult omal vastutusel
ja mina ei garanteeri, et see jutt sobib kellegi teise auto konfiguratsiooniga.
Kiirjuhend:
- Kontrolli vastavaid kaitsmeid
- Kontrolli piduri ja siduri lüliteid
- Kontrolli vaakumtorustikku
- Kontrolli vaakumpumpa
- Kui kõik eelnevad on korras, asu juhtploki kallale (asub juhi jalgade juures katte all)
Kes ei tunne ennast elektroonikas tugevana või ei viitsi juhtplokki remontida, siis on hetkel pakkuda üks autopiloodi juhtmoodul 5GA005070-01 (saab vabalt asendada ka 5GA 004 397-08 moodilt. Hind ca 350eek)
Detailne juhend
Juhend kehtib üldjoontes kõigi SAAB 9000 ja 900 kohta, mis kasutavad vaakumpumpa
(82-91), (91-93 ja 94 Convertibl)
Vajalikud tööriistad:
Erinevad kruvikeerajad ja 10,20,25 Torx võtmed
Voltmeeter 12V DC skaalaga. Testimiseks sobib vahel paremini lihtne 12V testpirn,
millel sobivad juhtmed (krokodill või teravik)
Võib osutuda vajalikuks ka mutrivõtmed: 8mm, 10mm, 13mm
7 mm läbimõõduga kummivoolik, et erinevatest kohtadest testida vaakumtorustiku.

1. Esimese asjana kontrolli kaitsmeid. Kindluse mõttes võib kõik üle kontrollida.
2. Järgmise tuleks kontrollida vaakumtorustikku. Otsi üles vaakumvoolik, mis
jookseb kapoti alt pumbast salongi. Pumbal on kaks otsa, millest ainult üks(must
otsik) peab olema ühendatud voolikuga. Vaata ülalolevalt pildilt täpsemalt (klõps pildil näitab seda suuremalt). Teine otsik on
väljalaskeava ja peab olema avatud. Vaakumtorustiku testimiseks tõmba pumbast
voolik välja ja tekita sellele vaakum (võid näiteks voolikust imeda). Selle
tulemusena peaks gaasi pedaal natuke liikuma. Kui see toimib, siis peaks vaakumtorustik
korras olema. Kui pedaal ei liigu, siis peaks hakkama otsima süsteemist
lekkeid. Kõige tõenäolisem on, et voolik ise lekib kuskilt. Need kipuvad pragunema,
kui on olnud painde all - näiteks kohe pumba juures või kohas, kus voolik siseneb
salongi (900 korral). 9000-l tundub see probleem olema harvem, välja arvatud vooliku
otsad. Kui voolik on pragunenud ja lekib, on soovitav see asendada kvaliteetsemaga,
mis sisaldavad punutud nööri (MB ja VW pidavat sellist kasutama). Lisaks peavoolikule
on väikesed voolikujupid piduri ja siduri lülitite juures salongis, mis tuleks
ka üle vaadata.
3. Kui voolikud on korras, tuleks kontrollida lüliteid/klappe pedaalide juures.
Probleemiks võib olla nende vale asend. Proovi need paika saada
(vaata ka allolevat pilti).
Kui mõlemad pedaalid (pidur ja sidur) on vabastatud asendis, peavad vaakumlülitid hoidma vaakumit ja klemmid voolu läbi
laskma. Vaakumi
kontrollimiseks vabasta pedaal aeglaselt ja kontrolli, kas klapp sulgub
tihedalt. Kui see ei õnnestu, siis lülitite sättimisega saab asja tavaliselt
korda. Kui see aga ei aita, siis peab klappe natuke lähemalt uurima. (vaata
all olevalt pildilt).
 
4. Vaakumservo peaks vastavalt vaakumile liigutama ketti, mis on ühendatud
gaasipedaali ülemise otsaga. Kontrolli üle, et kett oleks terve ja korralikult
gaasipedaaliga ühendatud.
Turbo mudelitel tuleks kontrollida ka vaakumpiirajat. See on pruuni korpuse
ja punase otsaga kahe juhtmega lüliti, mis peaks samuti hoidma vaakumit.
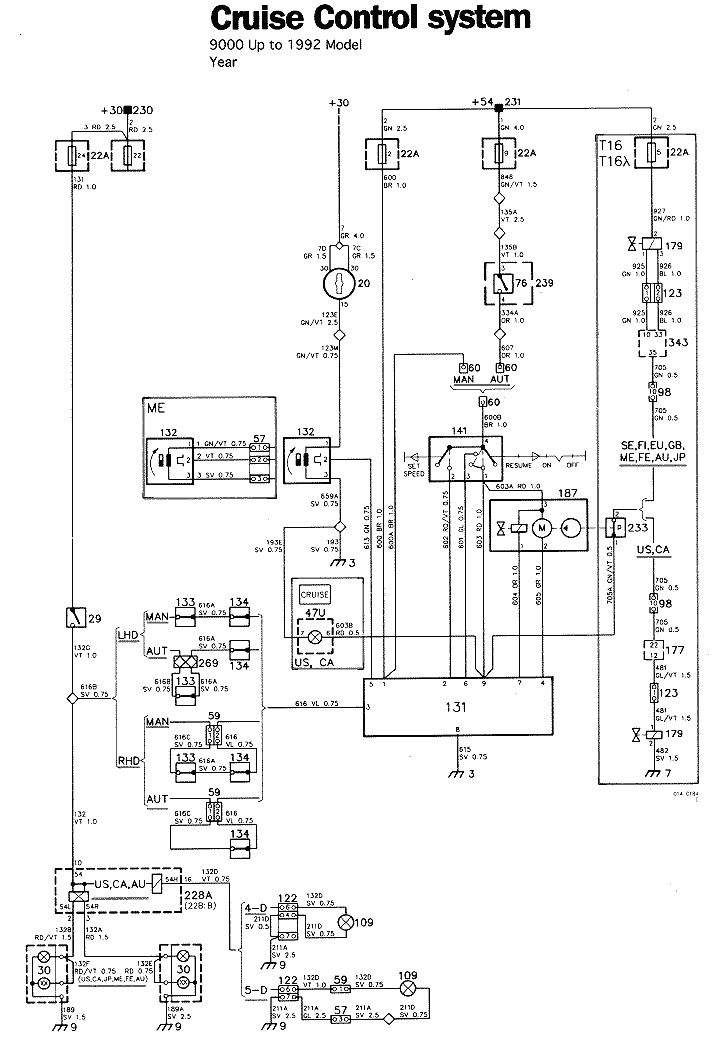
5. Elektrisüsteemi diagnostika
Järgnevalt on lähtutud mudelitest enne 1992 aastat, kuid ka peale seda kasutatakse
sarnast (natuke keerukamat) süsteemi, seega peaks alljärgnevast jutust olema
abi ka uuemate autode omanikele. Minul oli 92 aastakäigu 9000CS ja seega kõik
täpselt ei klappinud ning tegin endale vastavustabeli (vaata allpool).


Nagu eelnevalt sai mainitud, tuleks alustada kaitsmete kontrollimisega. 9000
kaitsmed on 2, 5, 9 ja 24. 900 kaitsmed 8,13,22, ja 31.
Parim koht elektrisignaalide testimiseks on autopiloodi elektroonilise juhtploki
(ECU) pistik. See tuleb plokist lihtsalt välja tõmmata ja siis pistikust signaale
mõõtma asuda.
Pin 1 pruun juhe peaks olema 12V (süüde sees). See on ECU toide. Pin 8,
must juhe peab igal ajal olema ühendatud maaga. Esiteks tulekski kontrollida
pinget Pin 1 ja Pin 8 vahel. Kui pinge on 12V, siis on ECU toitega asi korras.
Pin 2, punane/valge juhe 9000-l ja roheline 900-l peaks olema 12V kui vajutatakse
SET nupule (süüde sees). Signaal tuleb suunalüliti/autopiloodi lüliti pin 2-st.
Kui siin pinge puudub, tuleks kontrollida suunalüliti ühendust. Kui ka seal
ei ole, siis kontrollida lüliti teisi ühendusi. Kui teistel olemas, siis on
tõenäoline, et SET lüliti ei funktsioneeri. Üldiselt tuleks siis uus lüliti
hankida või üritada lüliti algosadeks lammutada ja viga sealt üles leida. (vaata
ka allaolevat pilti lüliti vahetamisest vanematel 900 mudelitel)
Pin 3, punane juhe, omab mitut funktsiooni. Kui pedaalid on vabas asendis, siis
pedaalide lüliti peaks olema suletud ja ühendatud selle läbi maaga. Maa vooluring
läbib piduritule pirnid ja on ühendatud kerega pagasiruumi maaühenduses vasakul
pool 9000-del ja keskel tagavararatta juures 900-l. Kui piduri vaakumlüliti
miskil põhjusel ei avane, siis läbi piduritule lüliti, mis samuti pedaalile
vajutades avaneb, saab ECU 12V ja seega katkestab autopiloodi. Seega kui Pin
3 omab pinget 12V, autopiloot ei rakendu või katkestatakse igal ajal kui 12V
pinge tekib.
Pin 4, hall juhe, on 12V väljund vaakumpumbale. Seda saab põhimõtteliselt
testida ainult sõidu ajal, kuna autopiloot rakendub alles suurematel kiirustel
kui 40km/h. Võib testida juhtme korrasolekut selle otstes, kus teine ots on
vaakumpumba pin 2. Üldiselt on see harv probleem, välja arvatud kui ECU ise ei
tööta. (nagu minul tegelikult oli ?) Üldiselt on soovitav see jätta viimaseks.
Pin 5, sinine juhe 900 ja roheline juhe 9000-l on kiiruse anduri sisend. Seda
saab samuti testida ainult sõidu ajal. Kuna kiiruse signaalil muutub sagedus
mitte pinge, on seda tavalise testriga keeruline mõõta. Piisab, kui aeglasel
sõidul on näha pinge kõikumine. Mida suurem kiirus, seda suurem sagedus ja voltmeetri
näit jääb ca 6,5 V peale pidama. See test tasub jätta tagantpoolt viimaseks.
Kui siin pinge puudub, tasub kontrollida, kas kiiruse andur näidikute ploki taga
on ühendatud.
Pin 6, kollane juhe, peaks saama signaal 12V kui vajutatakse nupule RESUME.
See tuleb suunalüliti pin 3-st.
Pin 7, oranž juhe, peaks olema ühendatud vaakumpumba pin 1-ga. Sellega juhitakse
pumba maad.
Pin 8, must juhe on ECU maa. 9000-l tuleb see vasaku esimese kõlari kinnitusest
ja 900-l vasakult esipaneeli maa ühenduspunktist.
Pin 9, punane juhe on ECU 12V toide, kui autopiloodi lüliti on ON asendis.
Vastavustabel.
| Funktsioon |
Siin juhendis kasutatav markeering
Hella 5GA 005 070-01 |
Minu autol olev plokk
Hella 5GA 004 397-08 |
| 12V Toide |
Pin 1 pruun |
Pin 10 punane (2tk) |
| 12V SET |
Pin 2 punane/valge |
Pin 3 punane/valge |
| 12V piduri vajutus, muidu maa |
Pin 3 Punane (lilla) |
Pin 5 punane/valge |
| 12V vaakumpumba juhtimine |
Pin 4 hall |
Pin 7 hall |
| Kiiruse andur |
Pin 5 roheline |
Pin 11 roheline |
| 12V RESUME |
Pin 6 kollane |
Pin 4 kollane |
| maa vaakumpumba juhtimine |
Pin 7 oranž |
Pin 6 oranž |
| Maa |
Pin 9 must |
Pin 8 must |
| 12V toide ON |
Pin 10 |
Pin 9 valge |
| vaakumpump |
|
Pin 1 punane |
SAAB 9000 kasutatud ECU moodulid
| aasta |
SAAB markeering |
Hella markeering |
| kuni 87 |
95 60 905 |
|
| 88/89 |
95 26 757 |
5GA 005 070-01 |
| >1991 |
95 26 757 |
5GA 005 070-01 |
| 1992 |
41 08 650 |
5GA 004 397-08 |
| 1995> |
44 33 108 |
|
Suunatule/Autopiloodi lüliti ühenduste test
Kui autopiloodi lüliti on asendis ON, siis peaks 12V minema välja läbi pin
1 punase juhtme ECU-sse ja CRUISE signaallampi armatuuris.
Lüliti pin 2 saadab 12V ECU Pin 2-te kui vajutatakse SET nupule. Vanematel
900 lülititel, mille ei ole TIP funktsiooni, läheb signaal releesse, mis asetseb
ECU peal. Relee saab signaali pin 86-te, kus siis 12V läbi relee pin 30 läheb
ECU Pin 2-te.
Lüliti
pin 3 saadab 12V ECU Pin 6-te kui vajutatakse RESUME nupule.
Lüliti pin 4 (pruun juhe) on lüliti 12V toide. Manuaalkastiga autodel tuleb
see samast kohast, kus ECU Pin 1 saab oma toite. Automaatkastiga autodel tuleb
see käigukangi juurest.
Kui peale kõike teste autopiloot ikka ei tööta, siis
tuleb selle arvatavasti süüdistada elektroonilist juhtplokki(ECU)ennast.
(nagu minu juhtumi korral)
Autodel, mis kaotavad kiirust, tuleks veelkord kontrollida gaasipedaali ketti
ja vaakumi lekkeid, kuid üldiselt on ka see kiiruse anduri või ECU probleem.
Et selles kindel olla, peaks sõidu ajal jälgima, kas kiiruse anduri või ECU signaali, et näha, kuidas need muutuvad ja kas vastavad kiirusele.
Lühike juhend TCS erifunktsioonidest

|